Услуги
  • Монтаж оборудования
  • Разработка проектной документации
О компании
Сертификаты
Контакты
Блог
    +7 4822 787-180
    info@hennlich-shop.ru
    Хеннлих
    Каталог
    • Уплотнения
      • Шевронные уплотнения CARCO      
        • Продукция
        • Отрасли промышленности
      • Ремкомплекты для спецтехники
      • Кольца O-ring
      • Уплотнения методом литья      
        • Грязесъемники
        • Направляющие кольца
        • Опорные кольца
        • Статические уплотнения
        • Уплотнение поршня
        • Уплотнение штока
      • Уплотнения методом точения      
        • Уплотнения вала
        • Уплотнение поршня
        • Уплотнение штока
        • Грязесъемники
        • Статические уплотнения
        • Направляющие кольца
        • Опорные кольца
    • Защиты и конвейеры
      • Гофрозащиты      
        • Гофрозащиты без ламелей
        • Гофрозащиты с ламелями
        • Круглые гофрозащиты
      • Телескопические защиты      
        • Рабочие позиции
        • Типы телескопических защит
      • Конвейеры      
        • Типы конвейеров
      • Фильтры масляного тумана
      • Ролеты      
        • С корпусом
        • Без корпуса
      • Скребки      
        • Серия TSA
        • Серия FBA
        • Серии FBA-V и FBA-E
        • Серия E
        • Формованные скребки
      • Спиральные защиты      
        • Рабочие позиции
        • Фиксация
        • Монтаж
      • Сильфонные защиты
      • Монтаж
    • Системы смазки
      • Прогрессивные системы смазки      
        • SKF
        • CisoLube
        • Allfet
        • Weidun
      • Линейные системы смазки      
        • SKF
        • CisoLube
        • Allfet
      • Двухлинейые системы смазки      
        • HJ 2
        • Multilube
        • ZPU 01/02
        • FK
        • ZPU 08 / 14 / 24
        • E-PUMP
        • MPB
        • Lubrigun
        • PowerMaster III
        • BPH
      • Распределители
      • Трубопроводы
      • Фитинги
    • Пружины
      • Инструментальные пружины      
        • Инструментальные пружины по стандарту ISO 10243
        • Инструментальные пружины по стандарту JIS В5012
        • Форма для изготовления инструментальной пружины по стандарту US
      • Тарельчатые пружины      
        • Тарельчатые пружины DIN 2093
        • Формы для изготовления пружины по ГОСТ
      • Пружины круглого сечения      
        • Пружины растяжения с круглым сечением
        • Пружины сжатия с круглым сечением
        • Конические пружины круглого сечения
        • Пружины кручения круглого сечения
    Магазин
    Войти
    0 Корзина
    Уплотнения Защиты и конвейеры Системы смазки Пружины Ремкомплекты
    Хеннлих
    Каталог
    Магазин
    Войти
    0 Корзина
    Хеннлих
    0
    Хеннлих
    • 0 Корзина
    • Написать нам 
    • 170028, г. Тверь, Набережная реки Лазури, дом 15А, пом. 14
    Главная
    Каталог
    Уплотнения
    Уплотнения методом точения
    Направляющие кольца
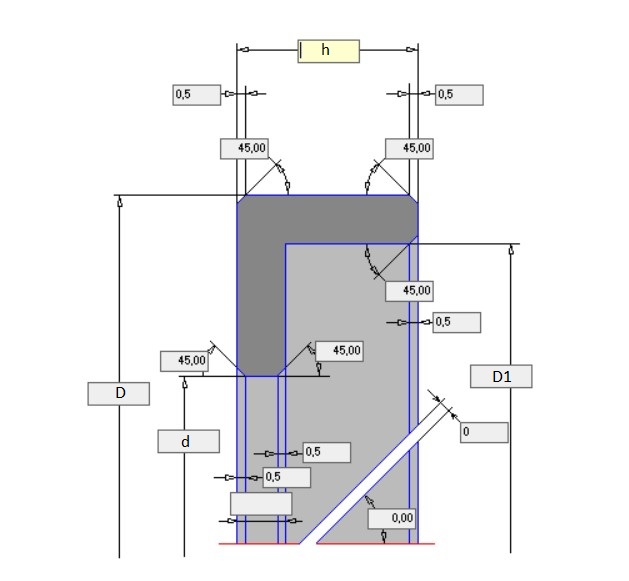
    Направляющие кольца DF 103

    Направляющие кольца DF 103

    Форма для изготовления DF 103
    Введите размеры, выберите материал и количество
    После расчета цены изготовления менеджер свяжется с вами
    • Уплотнения
      • Шевронные уплотнения CARCO
        • Продукция
          • Грязесъемники
          • Уплотнения поршня
          • Уплотнения штока
        • Отрасли промышленности
          • Уплотнения для прессов
          • Уплотнения для нефтегазовой отрасли
          • Уплотнения для гидроцилиндров
          • Уплотнения для алюминиевой промышленности
          • Уплотнения для туннельно-расточных станков
          • Уплотнения для авиации и аэрокосмической техники
          • Уплотнения для гидроэнергетики
          • Уплотнения для медицинской техники
          • Уплотнения для пищевой промышленности
          • Уплотнения для судостроительной техники
          • Уплотнения для ветроэнергетики
      • Ремкомплекты для спецтехники
      • Кольца O-ring
      • Уплотнения методом литья
        • Грязесъемники
        • Направляющие кольца
        • Опорные кольца
        • Статические уплотнения
        • Уплотнение поршня
        • Уплотнение штока
      • Уплотнения методом точения
        • Уплотнения вала
          • Уплотнение вала DR 101
          • Уплотнение вала DR 101F
          • Уплотнение вала DR 103
          • Уплотнение вала DR 104
          • Уплотнение вала DR 105
          • Уплотнение вала DR 106
          • Уплотнение вала DR 107
          • Уплотнение вала DR 108
          • Уплотнение вала DR 109
          • Уплотнение вала DR 110
          • Уплотнение вала DR 111
          • Уплотнение вала DR 112
          • Уплотнение вала DR 113
          • Уплотнение вала DR 115
          • Уплотнение вала DR 116
          • Уплотнение вала DR 117
          • Уплотнение вала DR 118
          • Уплотнение вала DR 119
          • Уплотнение вала DR 121
        • Уплотнение поршня
          • Уплотнение поршня DK 101
          • Уплотнение поршня DK 102
          • Уплотнение поршня DK 102R
          • Уплотнение поршня DK 103
          • Уплотнение поршня DK 104
          • Уплотнение поршня DK 104R
          • Уплотнение поршня DK 105
          • Уплотнение поршня DK 106
          • Уплотнение поршня DK 107
          • Уплотнение поршня DK 108
          • Уплотнение поршня DK 109
          • Уплотнение поршня DK 109H
          • Уплотнение поршня DK 117
          • Уплотнение поршня DK 122
          • Уплотнение поршня DK 123
          • Уплотнение поршня DK 123D
          • Уплотнение поршня DK 123N
          • Уплотнение поршня DK 124
          • Уплотнение поршня DK 125
          • Уплотнение поршня DK 127
          • Уплотнение поршня DK 128
          • Уплотнение поршня DK 129
          • Уплотнение поршня DK 138
          • Уплотнение поршня DK 139
          • Уплотнение поршня DK 140
          • Уплотнение поршня DK 141
          • Уплотнение поршня DK 142
          • Уплотнение поршня DK 143
          • Уплотнение поршня DK 144
          • Уплотнение поршня DK 144B
          • Уплотнение поршня DK 145
          • Уплотнение поршня DK 150
          • Уплотнение поршня DK 150B
          • Уплотнение поршня DK 151
          • Уплотнение поршня DK 153
          • Уплотнение поршня DK 199
          • Уплотнение поршня DK 205
          • Уплотнение поршня DK 222
          • Уплотнение поршня DK 238
          • Уплотнение поршня DK 240
        • Уплотнение штока
          • Уплотнения штока DS 101
          • Уплотнения штока DS 102
          • Уплотнения штока DS 102R
          • Уплотнения штока DS 103
          • Уплотнения штока DS 104
          • Уплотнения штока DS 104R
          • Уплотнения штока DS 105
          • Уплотнения штока DS 106
          • Уплотнения штока DS 107
          • Уплотнения штока DS 108
          • Уплотнения штока DS 109
          • Уплотнения штока DS 111
          • Уплотнения штока DS 116
          • Уплотнения штока DS 117
          • Уплотнения штока DS 117R
          • Уплотнения штока DS 118
          • Уплотнения штока DS 119
          • Уплотнения штока DS 119B
          • Уплотнения штока DS 120
          • Уплотнения штока DS 121
          • Уплотнения штока DS 124
          • Уплотнения штока DS 125
          • Уплотнения штока DS 125R
          • Уплотнения штока DS 127
          • Уплотнения штока DS 129
          • Уплотнения штока DS 129B
          • Уплотнения штока DS 130
          • Уплотнения штока DS 131
          • Уплотнения штока DS 138
          • Уплотнения штока DS 139
          • Уплотнения штока DS 141
          • Уплотнения штока DS 142
          • Уплотнения штока DS 151
          • Уплотнения штока DS 154
          • Уплотнения штока DS 199
          • Уплотнения штока DS 205
          • Уплотнения штока DS 216
          • Уплотнения штока DS 238
          • Уплотнения штока DS 257
        • Грязесъемники
          • Грязесъемники DA 101
          • Грязесъемники DA 101A
          • Грязесъемники DA 102
          • Грязесъемники DA 102A
          • Грязесъемники DA 103
          • Грязесъемники DA 105
          • Грязесъемники DA 106
          • Грязесъемники DA 108
          • Грязесъемники DA 109
          • Грязесъемники DA 109B
          • Грязесъемники DA 109C
          • Грязесъемники DA 113
          • Грязесъемники DA 114
          • Грязесъемники DA 115
          • Грязесъемники DA 116
          • Грязесъемники DA 117
          • Грязесъемники DA 118
          • Грязесъемники DA 119
          • Грязесъемники DA 209C
          • Грязесъемники DA 213
          • Грязесъемники DA 211
          • Грязесъемники DA 212
        • Статические уплотнения
          • Статические уплотнения DFL 101
          • Статические уплотнения DFL 102
          • Статические уплотнения DFL 103
          • Статические уплотнения DFL 104
          • Статические уплотнения DFL 105
          • Статические уплотнения DFL 107
          • Статические уплотнения DFL 108
          • Статические уплотнения DFL 109
          • Статические уплотнения DFL 110
          • Статические уплотнения DFL 111
          • Статические уплотнения DFL 112
        • Направляющие кольца
          • Направляющие кольца DF 101
          • Направляющие кольца DF 102
          • Направляющие кольца DF 103
          • Направляющие кольца DF 104
          • Направляющие кольца DF 105
          • Направляющие кольца DF 106
          • Направляющие кольца DF 107
          • Направляющие кольца DF 108
        • Опорные кольца
    • Защиты и конвейеры
      • Гофрозащиты
        • Гофрозащиты без ламелей
          • Рабочие позиции
          • Типы гофрозащит
        • Гофрозащиты с ламелями
          • Рабочие позиции
          • Типы гофрозащит
        • Круглые гофрозащиты
      • Телескопические защиты
        • Рабочие позиции
        • Типы телескопических защит
      • Конвейеры
        • Типы конвейеров
      • Фильтры масляного тумана
      • Ролеты
        • С корпусом
        • Без корпуса
      • Скребки
        • Серия TSA
          • TSA 12
          • TSA 12 D
          • TSA 12 DD
          • TSA 12/12x2 и 12/25x2
          • TSA 8
          • TSA 8/8x2 и 8/20x2
          • TSA-E8 / E12
          • TSA-GL
          • TSA-M16 / M19
          • TSA-MZ
        • Серия FBA
          • FBA 14 / 18 / 25
          • FBA-P 14 / 18 / 25
          • FBA-U 18 / 25
        • Серии FBA-V и FBA-E
          • FBA-E 18D / E 20D / E 25D
          • FBA-E9 до E30
          • FBA-EV
          • FBA-V 14/18/25
          • FBA-V 14/18/25 90°
          • FBA-V 28
          • FBA-V flex 30
          • FBA-V flex 39
          • FBA-V flex P 30
          • FBA-V flex P 39
          • FBA-V flex S
          • FBA-V flex SP
          • FBA-V KO
          • FBA-V mini
          • FBA-VW
        • Серия E
          • E2 / E3
          • E2 DD / E3 DD
        • Формованные скребки
          • Скребки по форме
      • Спиральные защиты
        • Рабочие позиции
        • Фиксация
        • Монтаж
      • Сильфонные защиты
      • Монтаж
    • Системы смазки
      • Прогрессивные системы смазки
        • SKF
          • P205
          • P203
          • P 253 Smart
          • KFG
          • QLS 311 SSV
          • QLS 301 SSV
          • QLS 401 SSV
          • QLS 401 SSVDV
          • QLS 421 SSV
          • P 502
          • CLP Basic / Basic Plus
          • CLP Touch
          • CLP Smart
          • AECP
          • P 603 M
          • P 623 M
          • P 653 M
          • ZPU 01/02
          • EDL1
          • E-PUMP
          • PPU–5/PPU–35
          • PP/PPG
          • PFP-23-2 / PFP-23-22
          • MPB
          • 87202
          • PHU-5 / PHU-35
          • MGH
          • HTL 201
          • HP / HPG
          • HP-500 W / HP-500W-SSV
          • HJ 2
        • CisoLube
          • GT PLUS
          • GM Progressive
          • GP203
          • GP205
          • GT-HEAVY
          • GT-X
          • GP212
        • Allfet
          • ALL-2P
          • KOLLU
          • ALL-6
          • ALL-1
          • ALL-1 GRES
          • ALL-1 HEAVY
          • ALL-10 GRES
        • Weidun
          • VD203
          • WDS-I
          • PX-3
          • WDS-II
          • VFG-M
          • WDB-M
          • WD-40A / WD-40C
          • RHX-Q
          • RHX-P
          • KYR
          • RHX-12
          • DDB
          • SB-M
          • JRB-9
          • WDQB
          • VSB-500
          • VSB-600
      • Линейные системы смазки
        • SKF
          • MCP
          • 1812
          • P-846-2
          • 501
          • 283167
          • 82885, 83667
          • P / PW / PF / PFW-289
          • ACP
          • PPS 30
          • P-886
          • 82676
          • 82570
          • 1826
          • ECP
          • CLS
          • KFU
          • MKU
          • MKF
          • P 653S (oil)
          • MFE
          • 83817
          • 1810
          • 82886,83668
          • BPH
          • FlowMaster
          • MPB
          • 84050,85460
          • KFG
          • P 603S
          • Multilube MLPV / MLPI
          • P 653S
          • FlowMaster, electric
        • CisoLube
          • GTS
          • GMS
          • GT-Max
        • Allfet
          • ALL-2P
          • ALL-5 MOBILE
          • ALL-600
      • Двухлинейые системы смазки
        • HJ 2
        • Multilube
        • ZPU 01/02
        • FK
        • ZPU 08 / 14 / 24
        • E-PUMP
        • MPB
        • Lubrigun
        • PowerMaster III
        • BPH
      • Распределители
      • Трубопроводы
      • Фитинги
    • Пружины
      • Инструментальные пружины
        • Инструментальные пружины по стандарту ISO 10243
          • Пружина ISO 10243 VL (Сверхлёгкая)
          • Форма пружины ISO 10243 V (Лёгкая)
          • Форма пружины ISO 10243 B (Средняя)
          • Форма пружины ISO 10243 R (Тяжёлая)
          • Форма пружины ISO 10243 G (Сверхтяжёлая)
          • Форма пружины ISO 10243 W (Гипертяжёлая)
          • Форма пружины ISO 10243 тип A (Ультра Тяжелая)
        • Инструментальные пружины по стандарту JIS В5012
          • Форма пружины JIS B 5012 SF (Сверхлёгкая)
          • Форма пружины JIS B 5012 F (Лёгкая)
          • Форма пружины JIS B 5012 M (Средняя)
          • Форма пружины JIS В5012 (SH Тяжелая)
          • Форма пружины JIS В5012 (SB Сверх Тяжелая)
        • Форма для изготовления инструментальной пружины по стандарту US
      • Тарельчатые пружины
        • Тарельчатые пружины DIN 2093
        • Формы для изготовления пружины по ГОСТ
      • Пружины круглого сечения
        • Пружины растяжения с круглым сечением
        • Пружины сжатия с круглым сечением
        • Конические пружины круглого сечения
        • Пружины кручения круглого сечения
       
    Подписаться
    на новости и акции
    Доставка и оплата
    Услуги
    О компании
    Сертификаты
    Блог
    Каталог
    Карта сайта
    Контакты
    Написать нам 
    170028, г. Тверь, Набережная реки Лазури, дом 15А, пом. 14
    © 2026 Хеннлих
    Конфиденциальность
    Главная Каталог 0 Корзина Контакты Поиск
    Уплотнения
    Пружины
    Подшипники
    Энергоцепи
    ООО "ХЕННЛИХ"
    Уплотнения
    О-кольца
    V-ring
    Х-кольца
    USIT-кольца
    Шнуры
    Сальники
    Прочее
    Пружины
    Пружина тарельчатая
    Пружина инструментальная
    Подшипники
    Энергоцепи
    Мы используем файлы cookie для вашего удобства пользования сайтом и повышения качества рекомендаций. Подробнее
    Я согласен